欢迎访问湖州环保设备有限公司
网站地图
联系我们
网站首页
公司简介
产品中心
盘式真空过滤机
橡胶带式真空过滤机
带式压滤机
过滤机配件
新闻中心
技术文章
联系我们
专业制造生产盘式真空过滤机厂家
主营产品:盘式真空过滤机,DU型水平带式过滤机等
致力于分离机械的研究和开发
为客户提供不同工况条件、特殊要求的过滤产品
当前位置:
首页
>
产品中心
>
过滤机配件
盘式真空过滤机
橡胶带式真空过滤机
带式压滤机
过滤机配件
气动纠偏阀
产品展示
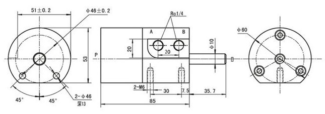
气动纠偏阀(过滤机配件)是我公司在结合带式压滤机和真空带式过滤机的基础上自行开发的高效纠偏装置,在橡胶带式过滤机和带式压滤机等设备上运用广,我公司运用数控加工自行加工生产、装配尺寸。
气动纠偏阀运用于真空橡胶带式过滤机,带式压榨机等过滤设备,此种配件隔除了纠偏和电器感应的联系有效的保证了使用时候的连续、不间断性、有效的保证了低故障率。纠偏阀与气缸配套成对使用,来纠正传输带偏离正确轨道的位置。反应敏捷,能实现纠偏自动化。
主要技术参数
使用示意图
型号表示方法
产品尺寸
上一篇:
裙边
下一篇:
排液罐
◇◇
相关内容
◇◇
主动辊 从动辊
小托辊
重力辊
压布辊
旋流器