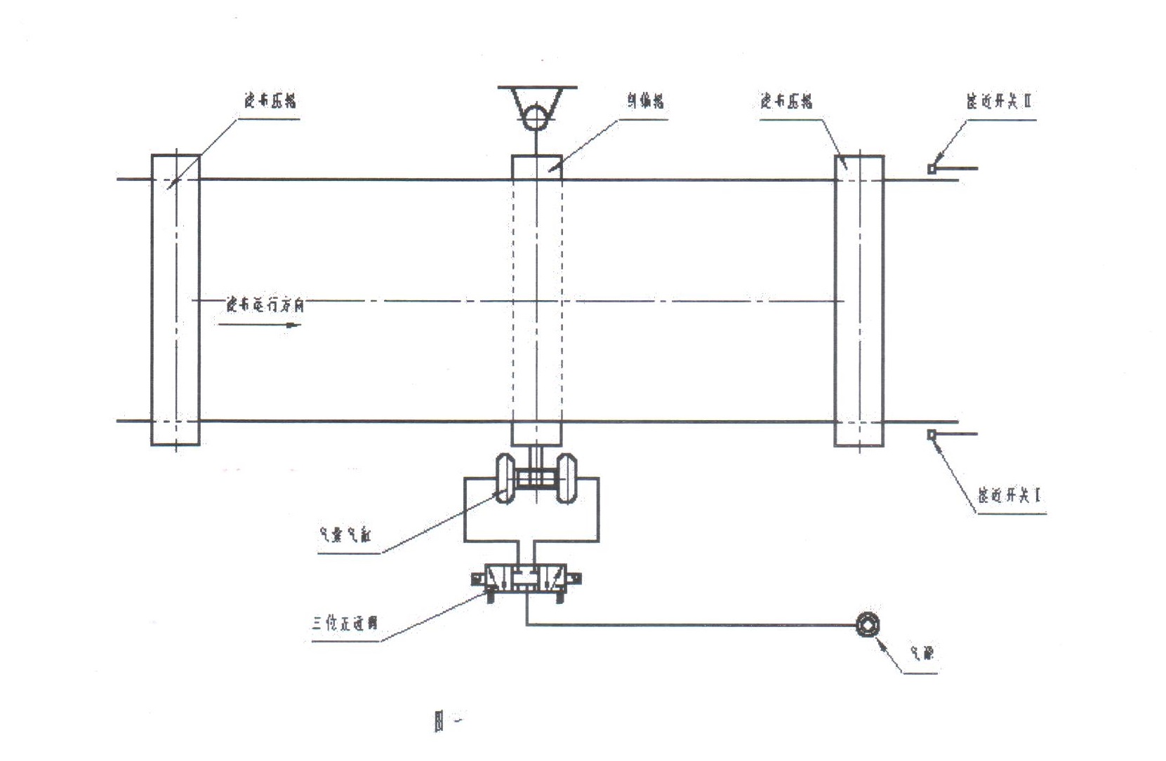
DU型橡胶带式真空过滤机部件:自动纠偏装置
自动纠偏装置:它由纠偏辊、纠偏气缸(双活塞杆气缸)、二位五通电控滑阀和感应开关等组成。它的作用就是纠正滤布跑偏,其原理是通过改变纠偏辊的角度来达到纠正滤布跑偏的。工作原理如下:
(1)如图一示,当滤带处于中间位置时,滤布不与拨杆接触;感应开关无感应信号输出,此时二位五通阀I、ⅡI均由A输出压缩空气使气缸I活塞杆缩回,纠偏辊如图示与滤布垂直。

(2)如图二示,当滤带向接近开关I方向跑偏时,滤布触动拨杆使感应板接近开关I,当达到感应距离时,接近开关输出信号,使二位五通阀I通电换向,二位五通阀IB输出压缩空气,A排空;气缸I活塞杆缩回;此时纠偏辊如图示偏转一定角度,在图示纠偏辊作用下,滤布的跑偏迅速纠正,向接近开关Ⅱ方向移动;当到达中间位置时,接近开关I感应信号消失,气缸I又重新回到图一状态。

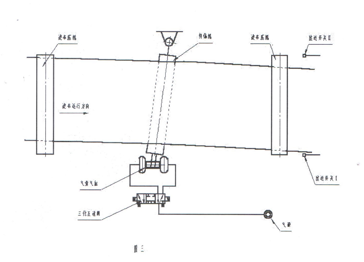
(3)如图三示:当滤布向接近开关Ⅱ方向跑偏时,滤布触动拨杆使感应板接近开关Ⅱ,当达到感应距离时,接近开关ⅡI输出信号,使二位五通阀Ⅱ通电换向,二位五通阀ⅡIB输出压缩空气,A排空;气缸Ⅱ活塞杆伸出;此时纠偏辊如图示偏转一定角度,在图示纠偏辊作用下,滤布的跑偏迅速纠正,向接近开关1方向移动;当到达中间位置时,接近开关IⅡ感应信号消失,气缸Ⅱ又重新回到图一状态。滤布跑偏是在所难免的,这是由于连接滤带时难免有松紧、长短,各改向辊存在平行误差等因素影响,虽然调节改向辊(范围有限)能纠正滤布向一侧跑偏的现象,但对于发生在瞬间的不稳定跑偏(工艺上参数的变化、布料等引起的),则必须由纠偏装置来纠正:因此,自动纠偏装置是带滤机非常重要的部件。操作时应注意:(1)必须注意纠偏辊的偏转方向是否正确及接近开关感应信号与二位五通阀的对应关系,否则,不但不能起到纠偏作用还会使滤布更加跑偏。(2)自动纠偏装置是保证带滤机正常运行的重要部件;因此在设备运行前必须检查自动纠偏装置功能是否正常,不正常情况下不能开机,排除故障后方可开机。
(3)自动纠偏装置工作压力不宜过高,一般为0.15-0.25MPa左右,以能推动纠偏辊为准,太高的压力会使纠偏辊偏转速度太快且噪声太大。
(4)对于滤带朝一固定侧跑偏的现象,不能以固定纠偏辊偏转一定角度来纠正
(必须调整改向辊等)否则,会使接近开关、电磁阀线圈长时间通电影响寿命,影响正常纠偏功能。
(5)必须保证纠偏辊滑道的清洁,经常清理滑道异物,加少量润滑。
